首页
关于正心
公司简介
新闻资讯
产品中心
直线电机
激光切割机Z轴升降滑台
直线滑台
伺服模组
重型模组
齿轮齿条模组
桁架
机器人行走轴
直线导轨
滚珠丝杠系列
工厂车间
质量保证
资料下载
联系我们
13918268332
搜索
产品中心
正心机器引进德国先进技术,致力于产品的研发和创新
直线电机
激光切割机Z轴升降滑台
直线滑台
伺服模组
重型模组
齿轮齿条模组
桁架
机器人行走轴
直线导轨
滚珠丝杠系列
您当前的位置:
首页
>
产品中心
> 产品中心
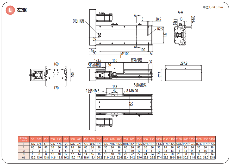
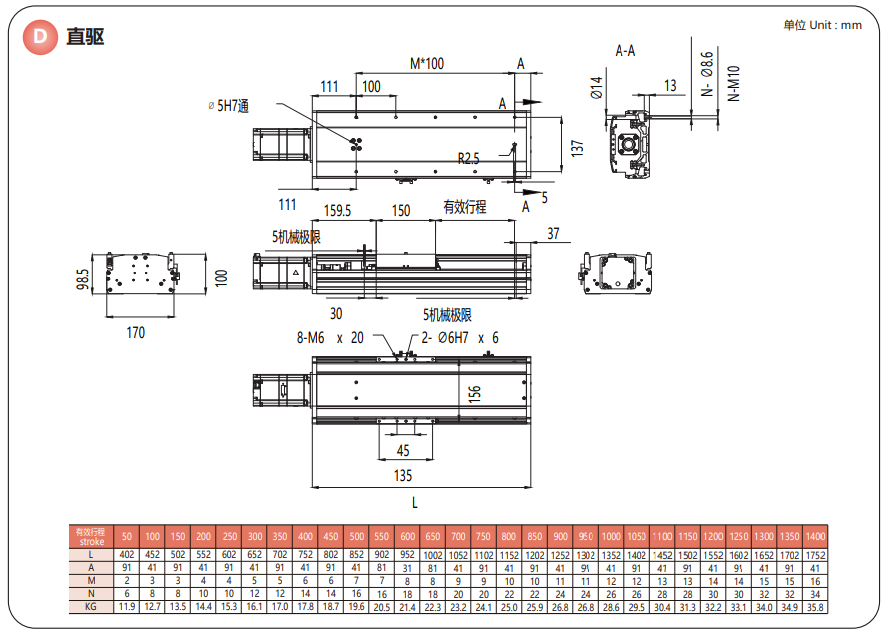
标准型 HS170
产品特点
产品应用
本体宽度 170mm
最大行程 1400mm
最大负载 120KG
电话
首页
二维码